西门子变频器使用DriveMonitor软件进行配置MM440
西门子变频器使用DriveMonitor软件进行配置MM440,其中有哪些需要注意的。
步骤一:接线及上电
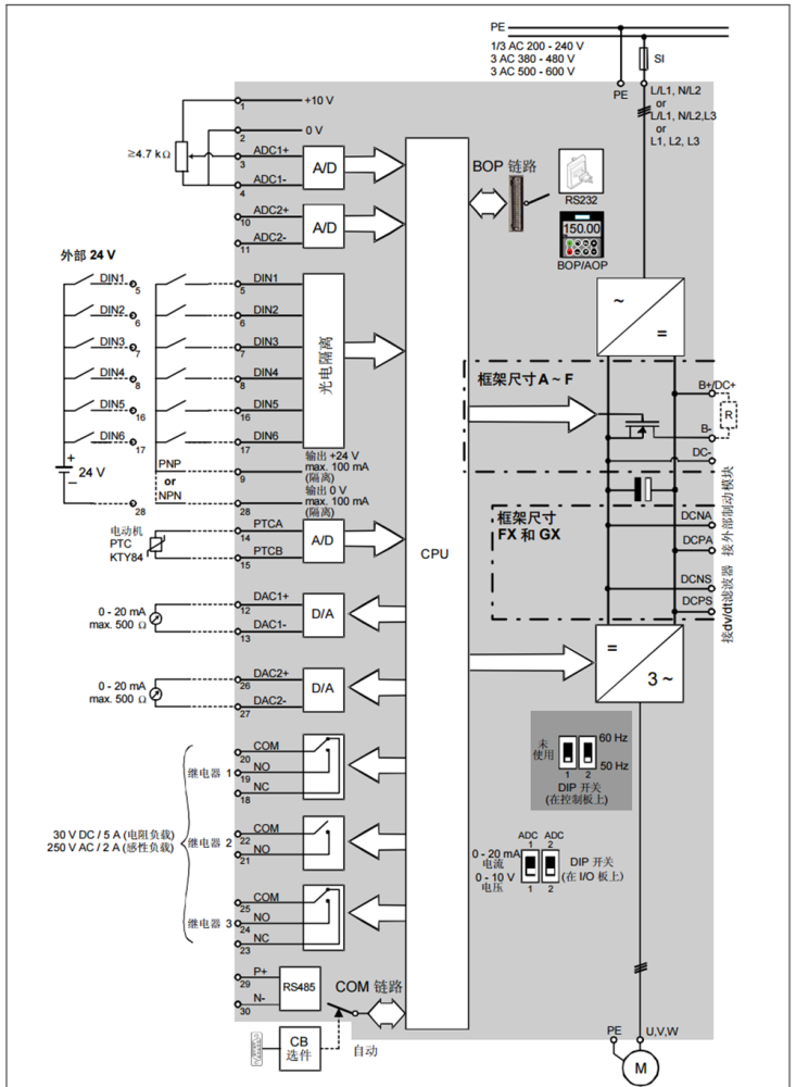
西门子MM440变频器的接线图如下图所示:
29、30号接线端子为485通讯口。

一端接变频器的29、30端子,另一端分别接RS485 to USB的A+、B-;


线都接好后,将USB口插入电脑;

步骤二:建立连接
右击电脑,查看COM口,本例的是COM3,以实际的为准。

运行DriverMonitor软件,点击工具栏中的Tools,选择下拉框中的Online Settings,选择Interface 本例是COM3,点击OK即可。

选择File——-Set up an USS ONLINE connection … ,然后再点击start,即可完成对变频器的连接;

步骤三:查看实时数据
点击工具栏中的Online(Write EEPROM)进入在线状态。点击左侧对话框中的Parameter List Complete,右侧会显弹出变频器内设置的相关数据。此时就可以查看变频器的实时数据了。

步骤四:在线修改参数
双击Parameter value上的内容就可对该项参数进行设置;

步骤五:配置的备份与下载
点击File——Upload——-Basic Device comPlete…, 不管是备份还是上载都要确保变频器和DriveMonitor软件是处于在线状态。

DriverMonitor软件的汉化可以在网上下载;将下载的补丁中的两个文件拷贝到安装目录下进行覆盖

这样就进行了汉化

