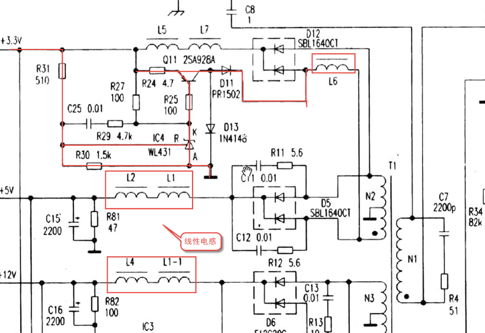
磁放大稳压电路
磁放大稳压电路
普通的都是那种铁氧体电感,也就是平时所说的电感,电感在没有被充满电的时候,它具有感抗或自感电动势或反向电动势;

特性:
1、当输入端给一个例如5V的电压,经电感后,电感给出一个反向的5V电动执,而不什持续很久,反向电动势慢慢的变成4.9V 4.8V 4.7V…….; 压差也0.1V 0.2V 0.3V ……慢慢变化;电流也慢慢就上去了。
2、当电感充满电以后,也就没有感抗作用了,相当于导线了。
3、电感具有限流特性,也叫扼流线圈;普通的电感具有线性作用。
铁基、钴基、非晶合金电感

特性:
1、铁基、钴基、非晶合金电感,它的磁感能力很强,当没有充磁相当于是断开的,当给其充磁时就会在很短的时间内充满;充满后相当于一根导线了。
2、充满后当给一个反向的电动势,此时又立马呈现断开状态;
3、铁基、钴基、非晶合金电感也就相当于一个磁开关;
4、没有充满磁的情况下是断开的,充满磁以后就导通了,此时如果反向给个电压,磁就立马断开了;非晶电感即开关型电感一般离开关变压器比交近;
5、如果不想让充满磁,一是电感量足够大,电感量大绕的圈数就多,体积也就大了;二是频率调到足够高;这样电感就不容易被充满;为什么现在都用开关电源的原因就是因为让频率高减小变压器的体积。

注:铁基、钴基、非晶合金电感一般是黑色或白色,而铁氧体一般是黄色;
铁基、钴基、非晶合金电感拓扑结构

- 如果铁基、钴基、非晶合金电感是充满电的情况下,也就是导通的状态;此时Vout输出电压偏高——-Controller——-D2二极管——–铁基、钴基、非晶合金电感得电,迅速断开,以此来达到降压的目的;
- 如果铁基、钴基、非晶合金电感是断开的情况下,也就是断开的状态;此时Vout输出电压偏高——-Controller——-D2二极管——–铁基、钴基、非晶合金电感充电,等次级线圈得电时需要更长的时间才能冲过MAGAMP,以此来达到降压的目的;

注:R3、C7实现交流动态响应功能;电路的实际应用中一般用在3.3V的ATX电源中;
情况一:
如果输出电压偏高,首先要检查R5、R8电阻的阻值是否发生变化;正常情况下TL431的R极对地应是2.5V左右;如果R8阻值变小了,就分不到2.5V了,要等到Vout升高后才能得到2.5V;更换TL431可能内部的基准损坏;
情况二:
一般3.3V的输出电压才有磁放大稳压电路,因为开关电源本来就有稳压电路,只不过3.3V的对稳压要求更高,3.3V一般是给CPU、内存芯片等精密芯片供电,所以采用此稳压电路;



