数字频率计工作原理
下面介绍的是数字频率计工作原理。

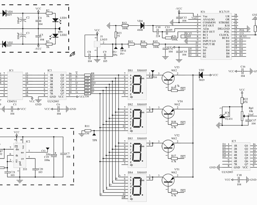
JP1是时钟信号的输入—-VS1 5.1V的稳压管进行限幅—-通过CD4553这个从0—999的3位十进制计数芯片—-DS1,DS2,DS3是控制数码管的位选分别控制个位,十位,百位—-输出的Q1,Q2,Q3,Q4二进制—-CD4511进行译码,再通过数码管进行显示。

电源电路通过一VD二极管进行防反接,电容进行高频低频过滤,LED1进行电源的指示。

CD4060进行分频,是通过对时钟32768的频率进行分频;Q14是输出引脚,其输出频率 f=32768/2的14次方,就等于2Hz; Q14就是2的14次方,Q13就是2的13次方,依次类推。再将分频后的数据传给CD4017是一个十进制计数器,

当CD4553的0到999的计数没有溢出时,QF就是低电平,则后面的数码管不会被启动,当QF就是高电平时NE555构成的一个单稳态矩形小电路就会在3脚产生高电平暂稳态Tw=1.1R34C14。CD4553这个从0—999的3位十进制计数芯片的CLK是下降沿触发,只要来下降沿就会触发计数,—-DS1,DS2,DS3是控制数码管的位选分别控制个位,十位,百位—-输出的Q1,Q2,Q3,Q4二进制—-CD4511进行译码,再通过数码管进行显示。这样就能实现一个6位数的数字显示。

 
        
 
  
       
  
       
  
       
  
      