西门子S7-200Smart通过RS485 Modbus rut通讯控制变频器实例

西门子S7-200Smart通过RS485 Modbus rut通讯控制变频器实例


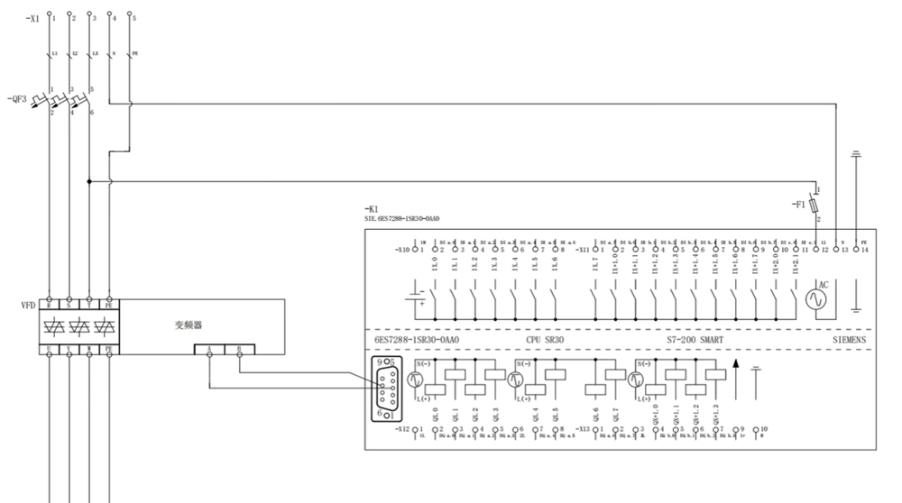
西门子S7-200Smart通过RS485/Modbus rut通讯控制变频器实例,200SMART与变频器的硬件接线图

首先查看变频器的接线图

变频器的端子排接线图

200 SMART PLC的相关配置

变频器的寄存器地址及通讯说明

PLC程序代码如下图所示,是上一条指令的完成位来触发下一条指令的执行;

 


转载请注明出处:  https://www.cntworld.cn
智能工控 » 西门子S7-200Smart通过RS485 Modbus rut通讯控制变频器实例

发表回复

提供最优质的资源集合

立即查看 了解详情
🤖 智能助手
你好!有什么问题可以问我 😊
文章加载时间:3.2982 秒