转向灯、大灯、雨刷、车身模块等电路
从S0到S39是笔画控制线,每一个像素点都有一个正极线,每一个正极线都叫一个笔画;BP0,BP1、BP2、BP3有四个负极线。以PCF8576T LCD驱动芯片为例【应用于一般的LCD液晶屏】;

PCF8576T LCD驱动芯片引脚定义

PCF8576T LCD驱动芯片的内部框图及应用示例

车身模块【整车控制器】

转向灯电路,分离元件控制

车身模块结构,

开关信号接口,一般是直奔CPU的IO口,如果是负触发的加上拉电阻;如果正触发的加下拉电阻;


转向灯电路,VND5025模块控制,其中通过二极管接地是为了抬高地的电压,这样所有CPU的引脚在不工作时是从0.5V电压起步的,这样可以区别出是否出故障。类例4~20mA模拟量。


转向灯电路,VND5E012模块控制

雨刷器电路,雨刷电机有四线和五线的,四线的居多;为什么电机达到3000转就会停,因为定子转动会产生电动势,当到3000转以后定子发电产生的电压与输入的电压基本就保持平衡了,电流达到最小;当一接上负载定子的转速就降下来了,发电产生的电压也小了,此时注入的电压就上去了,电流也就上去了。当线圈的匝数减少了需要更快的速度才能使定子发电产生的电压与注入电压基本持平。同理加大注入电压也会提高转速。

后雨刷电路,当喷水电机接通后,后雨刷电机电路也接通,这样喷水和雨刷就都打开了。

单片机控制的后雨刷电路【车身模块控制的间歇电路】,正电压触发的开关信号,要加下拉电阻,并且加阻容滤波;

雨刷器控制单元电路

雨刷器与控制器一体的,带绿线的开关是联动的。

雨刷电机与继电器是一体的,组合开关是一体的高速、低速、间歇开关是联动的,其工作示意图如下图所示:

现代伊兰特雨刷控制电路,通过喷水电机接线的组合不同,切换到后喷水还是前喷水。

前照灯电路,灯光控制系统,当超车开关闭合时,大灯亮并且仪表指示小灯也亮了;另一路点火开关闭合,联动灯光开关,第一档小灯,第二档大灯,此时变光开关可以来回变光;

远光是四个灯都亮,超车灯也是4个灯都亮;本田奥德赛灯光电路。

本田飞度灯光电路,当灯光开关处于联动开关的中间小灯位置,此时右侧继电器经点火开关构成回路,右侧的四个小灯点亮;当灯光开关处于联动开关的左侧大灯位置,此时左侧继电器经点火开关构成回路,左侧的四个大灯通过变光开关不停的变光点亮【每两个亮一次】;

带有灯光自动控制的灯光电路。当4处的灯光开关打到Auto时经自动灯光控制模块到点火开关构成回路,而自动灯光控制的是开大灯还是开小灯是受日照传感器来控制的。

车身模块控制的灯光控制系统,可以通过通讯构成灯光控制系统。

车身模块常用的芯片VN5E010MH-E或VN5E016AH-E。IN输入;OUT输出;VCC电源;CS模拟电流检测引脚提供与负载电流成比例的电流;CS-DIS高电平有效,电流检测引脚禁用。高电平有效,就要做到平时是低电平,要做到平时低电平就对地下拉电阻即可。

车身模块常用的芯片VN5E010MH-E或VN5E016AH-E。如更将的大灯功率相差很大【将大灯更换成LED大灯】,此时芯片就能通过输出电流检测而产生报故障。例如原来大灯为60W/12=5A的电流,现在更将为36W的LED大灯则为36W/12V=3A的电流,这样就会报故障码。可以在LED大灯上并一个6欧姆24W的电阻【一般大选择大于计算功率的电阻如选50W的】解决散热问题即可。车上很多驱动灯的芯片易坏,因为改的LED灯内部有电容,这样很容易导致驱动芯片的损坏【电容的特性通电瞬间短路,这样驱动芯片就易过载】。

大众J519前大灯车身模块接线图

左前雾灯控制电路,8路数据选择器的D7脚用于检测左前雾灯L1是否断开,如果L1是断开的则12V经D1【防倒灌】经R3后此时OUT输出处是高电平,再经R4,R5分压后进D7引脚,此时数据选择器就能知道当前L1的状态了;R7为4.7K的上拉电阻保证IN脚为高电平,平时不能为高电平,而Q1的输入又为高电平,所以就通过Q1进行转换。【L1处有两种检测方法一种是电流一种是电压,如果L1一拔掉就报故障一定是用电压检测的,此时随便接个灯都不报故障了;如果是电流检测故障的打开点火是不报故障的,开灯才有故障】

大灯的高低控制、高低调节,通过123档位来调整不同的电压,如1档调到3.6V,此时前大灯调节驱动电路中的位置电位器也跟随调到3.6V,里面的驱动电机就不动了,实现了调节的功能。

大灯的高低控制、高低调节,还有一种是电位器的,它是无极调节的。档位电位器调到什么位置。前大灯调节驱动电路中的位置电位器也跟随调到什么位置,里面的驱动电机就不动了,实现了调节的功能。

大灯的高低控制、高低调节,【1老式的】当档位开关打开2档位置,此时的电流回路如下图所示,此时电机会下正上负构成回路,此时档位盘会跟着顺时针旋转,直到2档的点位处于悬空状时电机就因掉而停了;【2】假如电位器调到3V则比较器的同相反相相等则输出负,没有压差电机不动。

玻璃升降器电路,电机上有热保护开关,电机过热开关就弹开了。有时就没劲了,这个电机就不行了,这个电机就退磁了就得更换。受热易退磁。自动升降窗学习,升到最顶断电重启。【左前升降窗如果轻触是中间空点与相邻的一个点连拉发,重触是两个有效点相连】

玻璃升降器的防夹功能是通过在电机的回路中有采样电阻,当遇到障碍物时电流变大,通过运放进行放大处理并采样到并采取相应的措施。采样一般是康铜丝因为其功率比较大。

玻璃升降器的防夹功能是通过在电机的回路中有采样电阻,工作示意如下图所示:

玻璃升降器带防夹功能,与电样并联的压敏电阻用于尖峰反压吸收也可以使用双向瞬态抑制二极管。压敏电阻内有寄生电容不适合高频。UNL 2003是非常好的继电器驱动模块。

正触发接下拉电阻;负触发接上拉电阻;而且经阻容滤波。

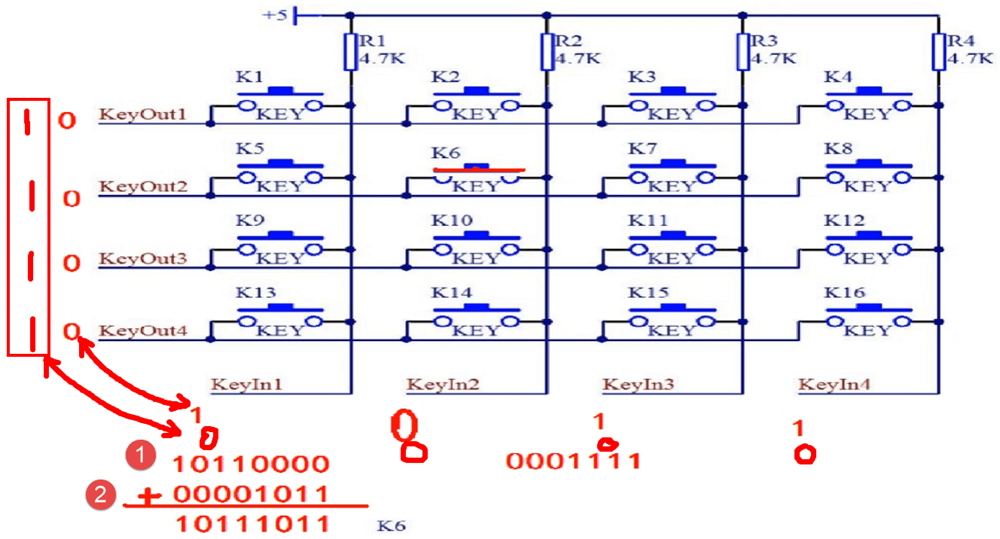
矩阵按键工作示意,如第一次按下K6,则数据为11110000 ,Keyout2就为0了,值是10110000; 第二次反过来。00001111 按下K6 则KeyIn2就等于0了,两则相加就得到K6的值了。

中央门锁,中控电路。开和锁同一时刻只有一个接地;以左侧开锁为例:12V电经2个10k电阻给电容充电,由于三极管发射极是悬空的,所以三极管不工作,当开接地后电容分别对左右两侧的电阻进行放电。三极管也导通。左侧继电器吸合电机工作,当电容的电放完后继电器因没电了而断开实现了定时锁车的功能。

射频模块,有单独接收功能的模块315和具有发送和接收双功能的模块433

【无线遥控】射频模块【下图不带解码芯片只能在单片机上来解码】工作示意图来控制中央门锁电路,射频模块一般三根线,电源正,电源负,OUT信号;此图中的压敏电阻是吸收反压。两个继电器一个用于开锁,一个用于闭锁。继电器的驱动芯片ULN2003;遥控没对上的情况下,射频模块发出的无规律方波,如果遥控器对上了,按遥控器,射频模块发出的规律的方波。遥控器不好用的判断,如果一按遥控器,接收主板的波形很有规律,则说明遥控器的射频是没有问题的,此时门锁不开是编码没对上;如果一按遥控器,接收主板的波形杂乱无章,跟解码没关系是射频不对。

【带解码芯片】射频收发模块上的D0 、D1、 D2、 D3一遥控器上的A、B、C、D键是一一对应的。例如按遥控器上的A,模块上的D0出高电平,这就说明成功解码;这个板子带有解码功能的。需要做的是就把D0 、D1、 D2、 D3的信号向单片机里送即可,单片机只要知道高电平做什么低电平做什么就可以了。

TLE8264E车身模块电源系统,



Your point of view caught my eye and was very interesting. Thanks. I have a question for you.
Thank you for your sharing. I am worried that I lack creative ideas. It is your article that makes me full of hope. Thank you. But, I have a question, can you help me? https://www.binance.info/join?ref=P9L9FQKY
Your article helped me a lot, is there any more related content? Thanks!
Kent casino Скачать на Андроид. https://www.pgyer.com/apk/apk/com.kent.c115546