ABS安全系统
刹车时前轮抱死将失去转向能力;刹车时后轮抱死甩尾。实验证明:滑移率在10%–30%之间制动力最大,超过30%后制动力下降。所以ABS系统就是将制动力控制在10%–30%之间

刹车油管两路是不通的而且相互隔离的,踏板一踩是压缩两个活塞;刹车的油路是交叉式供油,这样的好处是任一路出故障,一前一后的制动力还是有的。

ABS系统控制分为三步:1、增压模式; 2、减压模式; 3、保压模式,下面以增压式为例:单向阀是从下向上走的,绿线为油路的走向,通过进油阀到各个车轮的储油泵内。踏板踩的的凸轮或偏心注塞泵。

当左前轮的滑移率在10%–30%时,进油阀就移动了这样就堵住了,这样左前的储油罐就封闭了,这样就实现了保压模式。ABS功能得刹车系统都正常的情况下才起作用。

如果刹车一踩就到底了,此时可以多踩几次进行加压,然后踩住不放,如果慢慢下沉了,说明总泵漏油了。如果多踩几次进行加压,然后踩住不放,如果不下沉了,说明油路有空气。

ABS电路,点火开关打开,ABS故障灯点亮、信号送到ABS电脑,刹车灯开关闭合马上就会检测四个轮的滑移率,只要滑移率达到规定值,ABS电机工作,电磁阀动作。通讯一般有Lin,CAN,K不管是哪一种通讯,一般车速15km/h 以上诊断就停了【因为速度上去以后就要任务就放在控制系统上了】。注:当电瓶电压低了以后ABS灯就亮了,ABS就退出工作了。

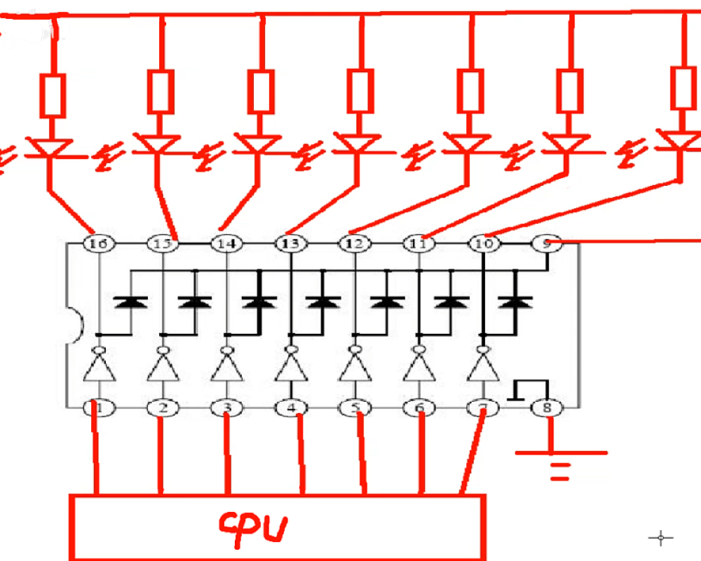
ABS电脑板内部原理,磁电式轮速传感器工作示意图。

ABS电脑板内的芯片有四路磁电式轮速传感器。

磁阻式轮速传感器,是由12V供电,输出线在没有接触轮子前是0.5V左右的电压,接触轮子后大约1.5V电压。输出线对地接有100欧姆左右电阻下拉。

载波的工作原理示意图,两线传感器是怎样走信号和供电的,其实在终端是在电供电的电源进行了载波,加入了信号波,这样到另一终端后再进行分离波形就有了信号和代电。

将磁电信号转成磁阻信号,因为磁阻传感器需要一个高电平为1.5V,低电平0.5V有信号,此时只要将输出加个电位器和一个上拉电位器,轮子接触时调一个1.5V电压,轮子不接触触时调一个0.5V电压,这个信号就调制出来了。【低电平时需要上拉,所以上拉电阻调制0.5V即可】

ABS电脑板电路图,在下图所中C1是起到缓慢开启场管,D1是把栅极和源极电压拉成一样的防止击穿;R1是上拉电阻故障识别用的;老烧刹车灯一般是质量差,不是搭铁不好,搭铁不好是相当于电容加大,相当于在灯中串电阻,电流减小不会烧;R2是场管关断放电电阻; R3是防止场管栅极的LC振荡用的。

电路板中钢片保险,只要电流一大,钢片就弹出;
安全气囊,早期是内含液态氮气,后出现了机械气囊有引爆管,如果不带安全带安全气囊是不起作用的。

早期的安全气囊结构

碰撞传感器结构示意图,一种是干簧管的一种是, 在车上是大量的使用。

二倍压升压电路


Can you be more specific about the content of your article? After reading it, I still have some doubts. Hope you can help me.
Thank you for your sharing. I am worried that I lack creative ideas. It is your article that makes me full of hope. Thank you. But, I have a question, can you help me?
Thank you for your sharing. I am worried that I lack creative ideas. It is your article that makes me full of hope. Thank you. But, I have a question, can you help me? https://accounts.binance.com/register?ref=P9L9FQKY
Thank you for your sharing. I am worried that I lack creative ideas. It is your article that makes me full of hope. Thank you. But, I have a question, can you help me?
Kent casino Скачать на Андроид. https://www.pgyer.com/apk/apk/com.kent.c115546