变频器恒压供水系统
恒压供水系统的组成
- 恒压供水中的远传压力表,它的失效,轻则无法恒压,重则损伤管网伤及变频器通道。

- 远传压力表它主要有两个功能,一是显示现场的压力值;二是将当前的压力值实时传给变频器。

- 远传压力表的内部构造,它其实就是一个滑动电阻器,与联杆一起联动。万用表可以测得红线、绿线间有个最大的阻值一般在340~400欧姆的阻值。红线、黄线间有个起始点阻值一般在3~20欧姆的阻值。黄线、绿线间有个剩余阻值一般在300多欧姆的阻值。

- 如何分辨出三根引出线的功能,

- 其它类似远传压力表的设备,如压力变送器。

- 变送器的内部结构

- 恒压供水系统中的看门狗,电接点压力表;它一般在市政管网的入口进行负压保护,和供水管道的出口超压保护,电接点压力表的作用,它一方向起到压力指示的作用,另一方面根据压力上下限,发出瞬时报警信号。

- 电接点压力表不能独立控制设备,因为触点容量太小,必须通过继电器扩容和实现控制策略。

- 电机是如何调速的 n=60f/p n是电机转速,f是电的频率, p电机的磁极对数;所以只能改变f频率了;
- 以下是通过PID设恒压供水一拖一带有睡眠功能的参数设置。
右上角的50%通过助手盘设定系统压力;
0.0bar 当前管道压力;
0.0% PID输出的百分比;
0.0Hz 电机输出频率;
1、参数----99启动参数-----9902改为PID控制
2、指令输入10----1002外部2命令改为DI1,这样就可以通过外部DI1来输入指令了。
3、给定选择11----1102外部控制选择设为外部2.
4、系统控制16----1601运行允许因为没有接这个信号,所以改为示选择。
5、模拟输入13-----1304 AI2下限,为了抗干扰一般设为20%,
6、PID控制1的40----4006单位改为bar
7、PID控制1的40----4009是100%值改为10.0bar,表最大慢量程压力范围为10bar;
8、PID控制1的40----4010设定值选择改为控制盘来设定压力大小;
9、PID控制1的40----4022睡眠选择改为内部,
10、PID控制1的40----4023睡眠频率改为40HZ,频率降到多少的时候要睡觉呢;
11、PID控制1的40----4024睡眠延时默认60S就是到达频率后延时60秒才开始睡觉,
12、PID控制1的40----4025唤醒偏差0.5bar,如目标压力5bar也就是到4.5bar的时候唤醒。
13、PID控制1的40----4026唤醒延时,到唤醒偏差值后延时0.5秒启动。
14、控制盘显示34-----3401信号1参数设为PID1反馈值,也就是管道压力;
15控制盘显示34-----3405信号1参数的输出1单位设为bar。
16、控制盘显示34-----3408信号2参数设为PID1输出。
17、控制盘显示34-----3415信号3参数设为输出频率。
18、控制盘显示34-----3417信号3最大值改为50Hz。
19、控制盘显示34-----3421输出3最大值改为50Hz。
综上所述:AI2模拟通道可以用来给定电流值代替当前管道压力;DI1开关量用于启动停止信号;市政目标压力值可以用操作盘来给定。假如目标压力设为5BAR,当前压力超过5bar就会延时睡眠,当当前压力低于4.5BAR就会唤醒再次运行。

ACS510变频器一拖二PFC应用
电气连接示意图如下图所示:

- 以下是通过PID设恒压供水一拖二带有睡眠功能的参数设置。
右上角的50%通过助手盘设定系统压力;
0.0bar 当前管道压力;
0.0% PID输出的百分比;
0.0Hz 电机输出频率;
1、参数----99启动参数-----9902改为PFC控制;
2、10指令输入-----1002外部2命令改为DI1;
3、11给定选择-----1102外部控制选择改为外部2; 指模拟量的给定。
4、13模拟输入-----1304 AI2下限改为20%,因为现场多数是4~20mA电流;
5、14继电器输出-----1401 继电器输出1,1402继电器输出2改为故障;
6、14继电器输出-----1403 继电器输出3改为PFC;
7、16系统控制-----1601 运行允许不需要可以关掉;
8、20限幅-----2008最大频率改为50HZ;
9、40 PID控制1-----4006单位 改为bar;
10、40 PID控制1-----4009 100%值对应现场实际量程10bar;
11、40 PID控制1-----4010设定值选择控制盘;
12、40 PID控制1-----4022睡眠值选择改为内部;
13、40 PID控制1-----4023睡眠频率根据现场实际调整如30HZ;
14、40 PID控制1-----4024睡眠延时根据现场实际调整如5秒;
15、40 PID控制1-----4025唤醒偏差改为0.5bar,如目标压力为5bar到4.5bar时唤醒;
16、34 控制盘显示----3405输出1单位改为bar;
17、34 控制盘显示----3401信号1参数改为PID1反馈值;
18、34 控制盘显示----3405输出1单位改为bar;
19、34 控制盘显示----3408信号2参数改为PID1输出;
20、34 控制盘显示----3415信号3参数改为输出频率;
21、34 控制盘显示----3417信号最大值将其改为50HZ;
22、81 PFC控制----8117辅机数量改为1,因为有一台工频泵;
23、81 PFC控制----8120内部锁定改为DI4;
23、81 PFC控制----8127电机个数改为2;工频加变频的两台。

ACS510变频器一拖三PFC应用【变频恒压供水】
以下是通过PID设恒压供水一拖三带有睡眠功能的参数设置。
右上角的50%通过助手盘设定系统压力;
0.0bar 当前管道压力;
0.0% PID输出的百分比;
0.0Hz 电机输出频率;
1、参数----99启动参数-----9902改为PFC控制;
2、99启动参数-----9905~9909根据电机的实际铭牌进行设置;
3、10指令输入----1001外部1命令-----将改未选择;
4、10指令输入----1002外部2命令-----将改DI1;
5、11给定选择----1102外部控制选择-----将改外部2;
6、13模拟输入----1304 AI2下限-----将改20%;
7、14继电器输出----1401继电器输出1-----将改故障;
8、14继电器输出----1402继电器输出2-----将改PFC;
9、14继电器输出----1403继电器输出3-----将改PFC;
10、16系统控制----1601运行允许-----未选择,因为实际上没有接线,所以取消掉;
11、20限幅-----2008最大频率------将其改为50HZ
12、40 PID控制1----4006单位-----将改bar;
13、40 PID控制1----4009 100%值默认100.0bar-----将改10.0bar;
14、40 PID控制1----4010设定值选择-----将改控制盘来设定压力值;
15、40 PID控制1----4022睡眠选择-----将改内部;
16、40 PID控制1----4023睡眠频率-----将改30HZ;
17、40 PID控制1----4024睡眠延时-----将改5秒; 根据实际情况设定。
18、40 PID控制1---4025唤醒偏差----将改0.5bar; 如目标压力为5bar到4.5bar时唤醒;
19、34 控制盘显示----3405输出1单位-----将改bar;
20、34 控制盘显示----3401信号1参数-----将改PID1反馈值代替现场的压力表;
21、34 控制盘显示----3408信号2参数-----将改PID1输出;
22、34 控制盘显示----3415信号3参数-----将改输出频率;
21、34 控制盘显示----3417信号3最大值-----将改50HZ;
23、34 控制盘显示----3423输出3最大值-----将改50HZ;
24、81 PFC控制----8117辅机数量-----将改2;除去变频的电机个数。
25、81 PFC控制----8120内部锁定-----将改未选择;
26、81 PFC控制----8127电机个数-----将改3;指所有电机个数。
注:配好以后就可以运行了,可以01组进行运行数据的查看,显示011 bin表示第二、三全继电器吸合了。

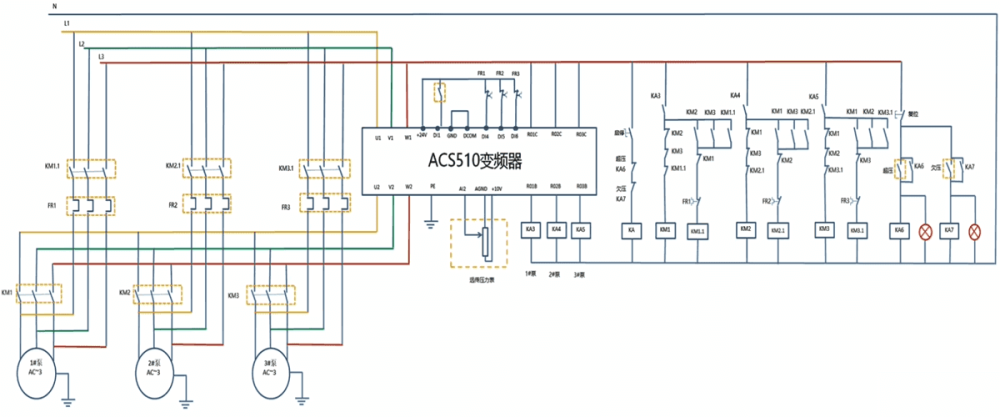
带有自动切换功能的PFC一拖三应用

继电器的逻辑是:
- 任何一台泵即可以变频又可以工频
- 任何情况下变频器只能驱动一台变频泵
- 泵工频运行时不能变频,变频运行时不能工频
- 工频泵按需直接投入电网不进行变频启动

下面是一拖三具备自动切换功能的PFC应用原理图

- 以下是带有自动切换功能的PFC一拖三应用
右上角的50%通过助手盘设定系统压力;
0.0bar 当前管道压力;
0.0% PID输出的百分比;
0.0Hz 电机输出频率;
1、参数----99启动参数-----9902改为PFC控制;
2、99启动参数-----9905~9909根据电机的实际铭牌进行设置;
3、10指令输入----1001外部1命令-----将改未选择;
4、10指令输入----1002外部2命令-----将改DI1;
5、11给定选择----1102外部控制选择-----将改外部2;
6、13模拟输入----1304 AI2下限-----将改20%;
7、14继电器输出----1401继电器输出1-----将改PFC;
8、14继电器输出----1402继电器输出2-----将改PFC;
9、14继电器输出----1403继电器输出3-----将改PFC;
10、16系统控制----1601运行允许-----未选择,因为实际上没有接线,所以取消掉;
11、20限幅-----2008最大频率------将其改为50HZ
12、40 PID控制1----4006单位-----将改bar;
13、40 PID控制1----4009 100%值默认100.0bar-----将改10.0bar;
14、40 PID控制1----4010设定值选择-----将改控制盘来设定压力值,即用什么改变目标值;
15、40 PID控制1----4022睡眠选择-----将改内部;
16、40 PID控制1----4023睡眠频率-----将改30HZ;
17、40 PID控制1----4024睡眠延时-----将改5秒; 根据实际情况设定。
18、40 PID控制1---4025唤醒偏差----将改0.5bar; 如目标压力为5bar到4.5bar时唤醒;
19、34 控制盘显示----3405输出1单位-----将改bar;
20、34 控制盘显示----3401信号1参数-----将改PID1反馈值代替现场的压力表;
21、34 控制盘显示----3408信号2参数-----将改PID1输出;
22、34 控制盘显示----3415信号3参数-----将改输出频率;
23、34 控制盘显示----3417信号3最大值-----将改50HZ;
24、34 控制盘显示----3423输出3最大值-----将改50HZ;
25、81 PFC控制----8117辅机数量-----将改2;除去变频的电机个数。
26、81 PFC控制----8118自动切换时间-----将改100h;变频器运行多长时间倒泵;
26、81 PFC控制----8119自动切换范围-----将改100%;
27、81 PFC控制----8120内部锁定-----将改DI4;
28、81 PFC控制----8127电机个数-----将改3;指所有电机个数。
